Obiecałam trochę teorii
oto garść technicznych argumentów
może one pomogą przekonać
niezdecydowanych do zakupu
ja swój już mam
o czym w następnym odcinku;)
http://www.jitterbuzz.com/indmix.html
***
Czym się różni Artisan od wersji Classic?
Sprawdzając parametry tych dwóch modeli
Czym się różni Artisan od wersji Classic?
Sprawdzając parametry tych dwóch modeli
i pomijając cechy zewnętrzne,
należałoby powiedzieć, że mocą,
czyli pewnie ma mocniejszy silnik,
może też różnica jest w istotnych podzespołach
takich jak przekładnie zębate ?
Chcąc odpowiedzieć uczciwie na to pytanie,
Chcąc odpowiedzieć uczciwie na to pytanie,
a nie powielać mity
wypisywane na różnych forach,
należy przyjrzeć się dokładniej
wypisywane na różnych forach,
należy przyjrzeć się dokładniej
budowie modelu Artisan i Classic.
Przeszukując przepastne zasoby internetu,
Przeszukując przepastne zasoby internetu,
Classic
Sprawdzając numery części odpowiadających
za regulację prędkości obrotowej silnika
i sam silnik, docieramy w przypadku jednego
i drugiego modelu,
do dokładnie tych samych podzespołów!
Wirnik silnika nr części 9708315 (110V),
9708316 (230V), 241991-4 (230V)*:
wersje na 230V mogą różnić się wyglądem,
ale są swoimi wzajemnymi odpowiednikami
ale są swoimi wzajemnymi odpowiednikami
Stojan silnika nr części 9702695 (110V),
9701670 (230V):
Kontrola włączania fazy (Phase Board)
nr części W10325124 (110V) ,
W10217542 (230V), 4163712 (230V),
9706596 (wersja 230V)*:
nr części W10325124 (110V) ,
W10217542 (230V), 4163712 (230V),
9706596 (wersja 230V)*:
wersje na 230V mogą różnić się wyglądem,
ale są swoimi wzajemnymi odpowiednikami
Elektronika zapewnia zmianę
napięcia na silniku.
Napięcie, jakie pojawia się na diaku (Q2)
napięcia na silniku.
Napięcie, jakie pojawia się na diaku (Q2)
zależy od podłączenia rezystorów R1 i R2,
styki na płytce kontrolnej
w zależności od nacisku
regulatora odśrodkowego zwierają
jeden lub dwa oporniki zmieniając napięcie
na diaku (Q2)
i tym samym moment otwarcia Triaka (Q1),
a co za tym idzie poziom średniego
napięcia na silniku.
Dodatkowe różnice w wersjach
Dodatkowe różnice w wersjach
to filtr sieciowy
oraz dodatkowe rozłączniki obwodu.
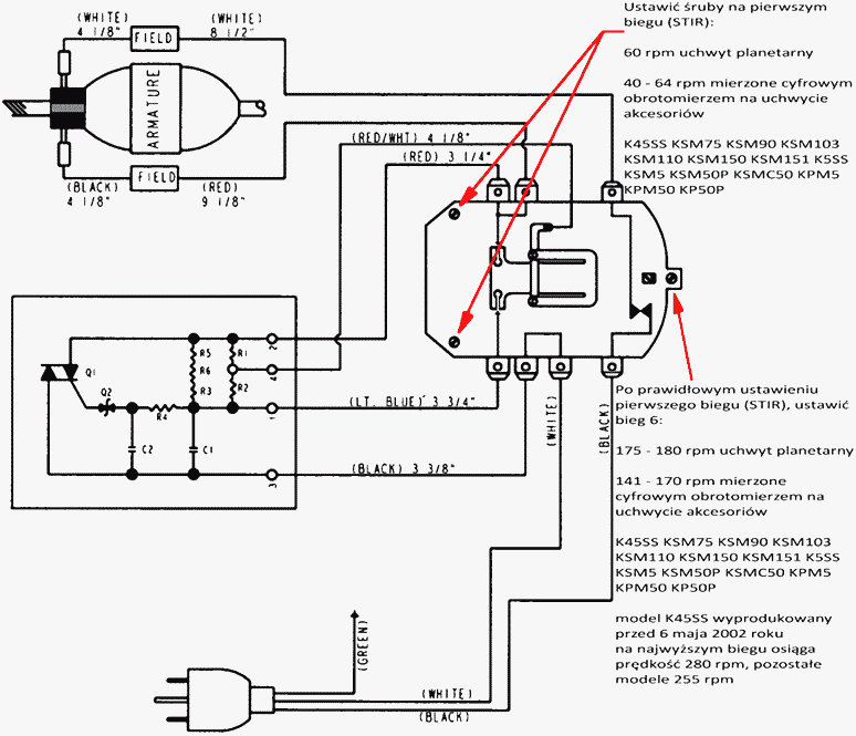
Warto zwrócić uwagę,
Warto zwrócić uwagę,
których modeli dotyczy schemat
i metoda ustawiania obrotów.
Regulator odśrodkowy (Governor)
nr części W10330804:
nr części W10330804:
Dwa walce widoczne powyżej i poniżej
to ciężarki zmieniające położenie
w zależności od obrotów silnika
(regulator sprzężony jest z wirnikiem silnika).
Stalowa kulka widoczna w górnej części fotografii
Stalowa kulka widoczna w górnej części fotografii
to docisk styku płytki styków kontrolnych.
Regulacja obrotów opiera się na zasadzie
Regulacja obrotów opiera się na zasadzie
znanej przed wiekami
i używanej w maszynach parowych.
Dolne zdjęcie przedstawia
regulator podczas pracy
(wyraźnie widać, jak walce odsunęły się
na zewnątrz osi wirnika).
Dolne zdjęcie przedstawia
regulator podczas pracy
(wyraźnie widać, jak walce odsunęły się
na zewnątrz osi wirnika).
Płytka styków kontrolnych (Control Plate)
nr części W10119326 (110V/230V),
4162402 (110V/230V), 240904-2 (110V/230V)*:
nr części W10119326 (110V/230V),
4162402 (110V/230V), 240904-2 (110V/230V)*:
wersje 110V/230V mogą różnić się wyglądem,
ale są swoimi wzajemnymi odpowiednikami
Styk na górze zdjęcia to bimetal
zabezpieczający silnik przed przegrzaniem.
Styk w centrum zdjęcia pod białą płytką
Styk w centrum zdjęcia pod białą płytką
to część kontroli obrotów,
to ten styk rozłączany jest
przez regulator odśrodkowy.
W dolnej części fotografii
W dolnej części fotografii
widzimy dwie śruby regulacyjne,
służące do ustawienia prawidłowych
obrotów miksera.
Z powyższych informacji dowiedzieliśmy się,
że po pierwsze
nie ma różnicy pomiędzy
wersją miksera Artisan i Classis
(dotyczy to również wszystkich
przekładni zębatych), ale również,
że wersje 110 V i 230 V różnią się
tylko wirnikiem, stojanem silnika
i płytką kontroli fazy.
Jak to jest z autotransformatorami
obniżającymi napięcie 230V do 110V ?
Przede wszystkim autotransformator nie zmieni
częstotliwości prądu,
a musimy pamiętać,
Przede wszystkim autotransformator nie zmieni
częstotliwości prądu,
a musimy pamiętać,
że w USA częstotliwość równa się 60Hz,
a w Europie 50Hz, czy ma to jednak
jakiekolwiek znaczenie?
Silnik to indukcyjność,
Silnik to indukcyjność,
czyli prąd jaki będzie pobierać
zależy od reaktancji indukcyjnej,
tak więc przy 60Hz silnik powinien pobierać
mniejszy prąd.
Co z obrotami ?
Silnik zastosowany w omawianych mikserach
Co z obrotami ?
Silnik zastosowany w omawianych mikserach
to silnik komutatorowy,
dodatkowo stałą prędkość obrotową
zapewnia regulator odśrodkowy,
tak więc różnica w obrotach pomiędzy wersją USA
i europejską nie powinna wystąpić.
Czy większy prąd płynący przez silnik
Czy większy prąd płynący przez silnik
(w wersji 60Hz) przy 50Hz może go uszkodzić?
Musimy pamiętać o charakterze
Musimy pamiętać o charakterze
pracy domowego miksera,
jest to zwykle praca krótkotrwała,
chociaż często połączona z dużym obciążeniem,
teoretycznie jednak zabezpieczenie
teoretycznie jednak zabezpieczenie
bimetaliczne powinno ochronić
silnik przed przepaleniem.
Co ciekawe modyfikując płytkę kontroli fazy
Co ciekawe modyfikując płytkę kontroli fazy
tylko poprzez dołożenie jednego opornika,
możemy obniżyć maksymalne napięcie
RMS z 230V do 110V na najwyższym biegu,
a tym samym bezpiecznej konwersji napięcia
bez użycia autotransformatora.
Oczywiście powyższe rozwiązanie
Oczywiście powyższe rozwiązanie
będzie miało też swoje wady.
materiał przygotowany przez
fuse@
***
pozdrawiam
13ka










17 komentarzy:
Marzenie chyba każdej kury domowej w tym i mój :)
O dżizas..... 13ko..... ja bym pewnie do takich szczegółów nie dotarła. Normalnie przysiadłam z wrażenia ;-)
Myślę, że to dobry sprzęt, choć podobnych mocą jest kilka. W jego przypadku chyba dizajn wygrywa, bo rzeczywiście taki "pokazowy".
I co w końcu kupiłaś ?:)
Uściski :))
O mamo! Zabiłaś mnie;]
Marzeniem moim jest, utulic w ramionach taki silnik komutatorowy :) A obudowa koniecznie biala lub lekko kremowa.... ach , poezja....
Przeczytałam, nie zrozumiałam ani słowa :D
Dobrze, że mam kenwooda :P
Kiciusie jak dla mnie za bardzo dominują w kuchni pod względem wygląsu, całkowicie odwracając uwagę od reszty, i KAŻDY je ma.
Po za tym za mało przystawek - brakuje im gniazda na samej górze, do podłączenia np. blendera kielichowego.
WOW, po prostu wymiękłam po 3 diagramie. Ja chyba niewiele z tego rozumiem ale jestem pod takim wrażeniem gigantycznym! Kochana ale robotę odwaliłaś :)
Najważniejsze, że dalej go chcę :)
Ma Gora
witaj w mych progach :), marzenie każdej kury domowej ...
oj tam oj tam ...
ja tam myślę że to świadomość możliwości ułatwienia sobie pracy :))) i tej wersji będę się trzymać
alizee
mnie by się też nie chciało szukać gdyby nie różnica w cenie miedzy Classic i Artisan 1000zł, a było to na tyle opłacalne, że za ten tysiąc mogłam mieć albo kolor albo przystawki
zapewne są dużo lepsze roboty/miksery z Kryśki też byłam zadowolona, ale na blacie z przebarwionym kielichem malakserowym i misą z takimi samymi przebarwieniami nie wyglądała już tak atrakcyjnie,
Kenwooda nie kupiłabym bo widziałam jego części w środku i odmowę naprawy gwarancyjnej, a Boscha nie ma nikt z moich znajomych
KA stoi u mnie na blacie nawet Romek go lubi szczególnie gdy w misie jest bita śmietana ;)
folkmyself no nawet nie żartuj ;)
agnesha o tak ;)
Emilia witam Cię serdecznie i ...
Ka dominator?
u mnie nie dominuje sama zobacz (post wyżej), w Kryśce mimo upływu 7 lat mam nadal nowe nieużywane części i tego między innymi unikam w KA, mam przystawki które są mi przydatne, kupuję kiedy chcę :)
absolutnie nie zgadzam się ze stwierdzeniem "każdy go ma", wśród moich znajomych nikt go nie ma, za to Kenwooda którego przeklinają i owszem :)
byziak
zapraszam latem zwiedzisz miasto i poszalejesz z KA ;D
dziękuję za odwiedziny
pozdrawiam serdecznie
13ka
13ka. Zastanawiam sie nad sprowadzeniem Kitchen Aid Classic K45SS. Jeli wymienię 3 powyżej opisane częśći czy mixer bedzie działał na 230V. Czy są potrzebne jeszcze dodatkowe zmainy?
Witaj,
musisz przemyśleć na ile jest to opłacalne bo na mój rozum średnio.
W angielskich sklepach (nie wiem czy w innych też) są dostępne takie zestawy: płytka regulatora, wirnik, stojan, przewód sieciowy i nawet taki talerzyk który jest w wersjach EU nad mieszadłami (nie ma go w wersji USA) ale cena tego była powalająca. Jest sklep w PL w którym można kupić podzespoły do KA. Odpowiadając na Twoje pytanie zatem: działać będzie po wymianie wspomnianych części. Jednak pomysł finansowo dla mnie wątpliwej oszczędności. Daj znać co wykombinowałeś w tym Nowym 2014 i samych szalonych pomysłów na 12 miesięcy
pozdrawiam
13ka
Witaj,
Wirnik, Strojan i Kontrola włączania fazy w USA kosztuje około $50. Classica można znaleźć na promocji po $150. Wysyłka drogą morską to około $50. Całkowity koszt wychodzi około $250.
Pozdrawiam :)
Wreszcie mamy nasz nowy mixer Kitchen Aid.
Po wymianie części które wczesniej wspomniałem mixer działa na 230V :)
Cześć dziewczyny,
Już od dłuższego czasu poluję na KA Classic lub Atrisan w dobrej cenie oczywiście na stronach US, niemniej jednak bezskutecznie. db0511 proszę podpowiedz gdzie kupiłaś cały sprzęt i części w tak dobrej cenie? Większość sklepów nie zajmuje się wysyłką do Europy, tym bardziej z napisem "gift".
db0511 i basia13
bardzo proszę o załatwianie takich kwestii na priv, nie wyrażam zgody na zamieszczanie linków w komentarzach
dziękuję za uwagę i pozdrawiam
13ka
Część. Napisałam komentarz wcześniej ale autokorekta w telefonie poprzekręcała bardzo. Piszę więc jeszcze raz. Użytkujesz już KA Classic jakiś czas i chciałabym zapytać jak się sprawuje? Czy nie ma np problemu z wyrabianiem ciężkich ciast typu chlebowe lub pierogi? Na amerykańskich stronach wyczytałam że może mić z tym kłopot.
Część. Napisałam komentarz wcześniej ale autokorekta w telefonie poprzekręcała bardzo. Piszę więc jeszcze raz. Użytkujesz już KA Classic jakiś czas i chciałabym zapytać jak się sprawuje? Czy nie ma np problemu z wyrabianiem ciężkich ciast typu chlebowe lub pierogi? Na amerykańskich stronach wyczytałam że może mić z tym kłopot.
Prześlij komentarz